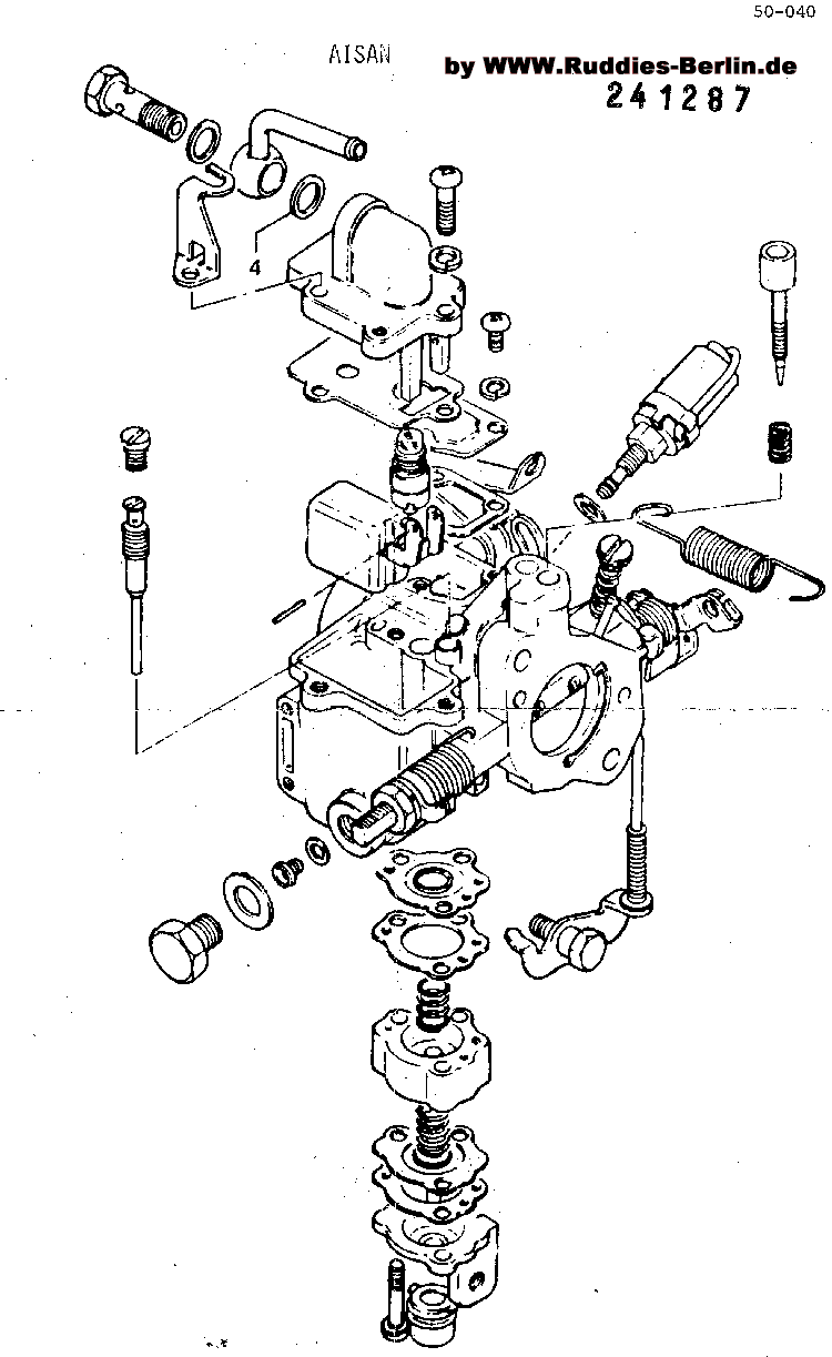
AISAN - 1 SUZUKI  SJ410 4Zyl. 4 W.D   797   1983 --

                                                                                        

 
Reparatursatz AISAN - Serie 80020 SUZUKI  SJ410  4Zyl. 1983 --         4.02050.54  mit 2  Membranen  
                                                                                                      Membrane rechts unten = 4814E
 
Ersatz = 4.0N222.00
                                                                                   Membrane = 4814E
 
 
Service Satz  4.0N224.00  SUZUKI