STEYR-DAIMLER-PUCH 36NDIX  Ersatzteilliste   MO1   Mowag  Polizei   /  2 x 36NDIX  Prinzgauer  1976 ---    7121081610  = 7.17499.00  7121081620  =  7.17500.00

                                                                                                  

neue Ausführung  1976 -----  ( Gemischregulierschrauben mit O-Ring )
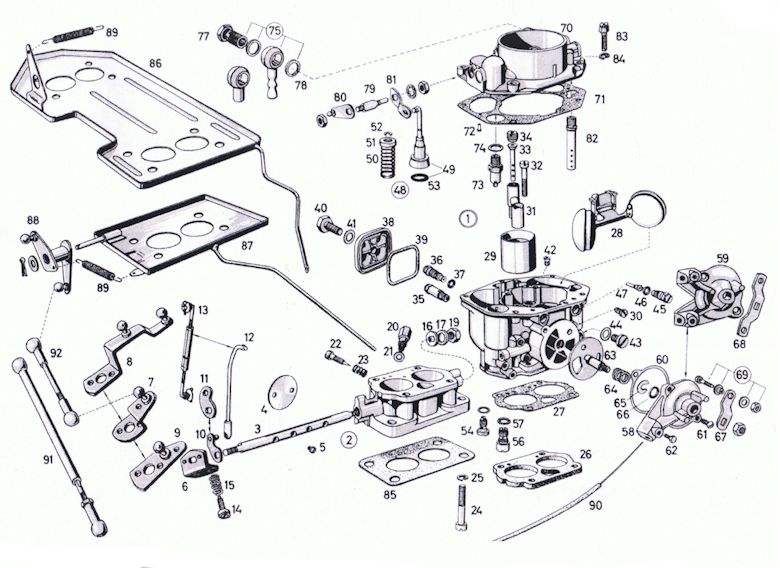
                                                                                    Bild  1
               
 


001   Drosselklappenteil   7123085559 =5.17329.00
Abschaltventil  24V   nicht lieferbar 7121084322 =7.12949.00
17  Gemischregulierschraube  Co    7122085261 =5.11282.01 
21  36NDIX Isolier- Dichtung        71210852???51 = 0539427 =3.3020??1.00  
21 36NDIX alte Ausführung Isolierflansch  5mm  Sieyr + BMW +  Mowag   7121085251=3.30201.00    01910407 0539420
38  Hauptdüse  Gg 125   7001084041 =3.29111.41   25 
39  Leerlaufdüse  g55   7001084051 =3.27972.11   55 
40  Düsen-Verschlussdeckel     A0000711060 DB = 3.29116.00
41  Dichtring  /  O-Ring    7001084061 =3.27973.00  
50  Pumpenkolben   7001084110 =5.17769.00 = 5.11134.00  
74   Vergaserdeckel   7001084311 = 5.11093.00 
75  Deckeldichtung  im Dichtungssatz     7001084131 =3.29041.00 
79  Hohlschraube   M12x1,25   /  7001084481 =3.29255.00 = 3.24480.00 
       
       

36NDIX alte Ausführung   Reparatursatz   4.03003.00  nicht mehr lieferbar Reparatursatz für Pumpenkolben   4.13240.00

   

                                         2 x 36NDIX  BMW V8  3200S    1x 36NDIX BMW 3200L  160PS
       Das Bild ist von einer BMW-Liste alle Pos.Nummern sind anders  als auf der Zenith Liste!!!!!                   
Bild  2
          
                                     2x 36NDIX  00010215  00010216 BMW 81   BMW 82  1x 36NDIX  00010214  BMW 7 
nur zum Vergleich der Pos. Nummern
  32NDIX  Zenith Liste ( Porsche )    zum Vergleich
        

32NDIX   + Ersatzteilliste