Vergaserfunktion  Fallstrom-Registervergaser 2E2 - Aufbau und Wirkungsweise

http://www.ruddies-berlin.de

Anleitung: Teileinfo bei Berühren der Zahlenfelder mit dem Mauszeiger. Klicken auf Zahlenfelder öffnet Teileliste mit Bildverweis in separatem Fenster (Javascript erforderlich).
 
 
 

Einleitung

Die Vergaser der Baureihe 2E sind Fallstrom-Registervergaser kompakten Aufbaus, mit niedriger Bauhöhe und Mischkammerweiten bis 28mm in der I. Stufe. Mit der Anordnung der Düsensysteme wurde Unempfindlichkeit gegen Brems- und Fliehkräfte bei Längs- und Quereinbau des Motors erreicht. Die möglichen Ausführungsformen der 2E-Vergaser erfüllen alle Anforderungen zur Anpassung an unterschiedliche Motoren. Die Hauptteile des Vergasers sind zur Gewichtseinsparung aus Aluminium gefertigt. Die Befestigung des Vergasers auf dem Saugrohr mittels drei von oben leicht zugänglicher Schrauben sowie die gute Zugänglichkeit der kombinierten Leerlaufkraftstoff-Luftdüse machen den Vergaser kundendienstfreundlich.

Vergaser der Baureihe 2E wurden mit Handstarter 2E1, mit einer Vollautomatischen Starteinrichtung als 2E2, mit konventioneller Startautomatik als 2E3 oder als 2EE für das Gemischbildungssystem ECOTRONIC hergestellt. Vergaser der Baureihe 2E beinhalten alle Voraussetzungen zur Erfüllung der hohen Forderungen an Wirtschaftlichkeit, Umweltfreundlichkeit und Fahrkomfort.

-
-
-
-
-
-
 

Startphase

Zwangsöffnung der Starterklappe (wide open kick) (Bild 10)

Bei noch kaltem Motor und höheren Laststellungen der Drosselklappe wird die Starterklappe über die Zwangsöffnung (wide open kick) mechanisch in eine Zwischenstellung geschwenkt und damit eine Überfettung vermieden. Auch nach einem Fehlstart und überflutetem Saugrohr ist diese Einrichtung von Vorteil, weil bei Wiederstart mit geöffneten Drossel- und Starterklappen die Ansaugwege, Zylinder und Zündkerzen belüftet werden.

-
 

Starteinrichtung

Der Vergaser ist mit einer vollautomatischen Starteinrichtung ausgerüstet, die den Motor bei allen Temperaturen sicher anspringen und durchlaufen lässt. Die Funktion der Starteinrichtung ist abhängig:
  • Von der elektrisch- und kühlmittelbeheizten Bimetallfeder im Starterdeckel (68, Bild 7 und 8), die die Position der Starterklappe (5, Bild 9) bestimmt.
  • Vom Drosselklappenansteller (95/114 (3- bzw. 4-Punkt-Dose), Bild 11 und 12), der die Drosselklappe auf Kaltstartposition öffnet.
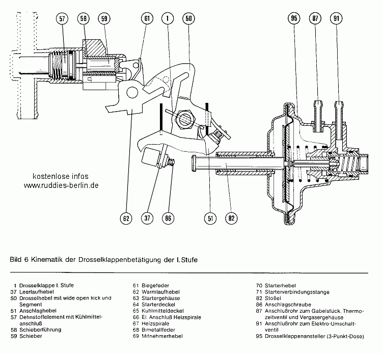
  • Vom Dehnstoffelement (57, Bild 6), das die Warmlaufdrehzahl in Abhängigkeit der Kühlmitteltemperatur regelt.
  • Vom Thermozeitventil (105, Bild 11), das nach dem Anspringen des Motors den Druckabfall im Drosselklappenansteller temperaturabhängig verzögert.
 

Ausgangsposition beim Kaltstart (Bild 17-18)

Bei Temperaturen unter +4°C ist die Starterklappe (5) geschlossen. Der Schieber (59) des Dehnstoffelements (57, Bild 21) hat den Warmlaufhebel (62) geschwenkt. Das Elektro-Umschaltventil (97) ist stromlos und damit geschlossen. Das Thermozeitventil (105) ist offen, der Drosselklappenansteller (95) belüftet. Der Stößel (82) des Drosselklappenanstellers stellt die Drosselklappe (1) durch die Kraft der Feder (92) auf Startposition. 
 

1. Phase des Kaltstarts (Bild 17-18)

Mit dem Einschalten der Zündung und Betätigen des Anlassers setzt die elektrische Beheizung im Starterdeckel und des Thermozeitventils (105) ein. Das Elektroumschaltventil (97) bekommt Spannung und öffnet. Damit kann sich die unterhalb der Drosselklappe (1) entstehende Druckdifferenz nicht im Drosselklappenansteller (95) aufbauen. Der Stößel hält die Drosselklappe in Startposition. Infolge des Druckabfalls unterhalb der geschlossenen Starterklappe wird aus allen Kanälen der I.Stufe Kraftstoff und Gemisch gefördert (Bild 18). Um ein Überfetten zu vermeiden, ist die Starterklappe (5) exzentrisch gelagert, so dass der in der Mischkammer wirkende Druck die Klappe gegen die Federkraft der Bimetallfeder öffnet und schließt und die für das Startgemisch benötigte Luft eintreten kann.
-
-

2. Phase des Kaltstarts (Bild 19)

Unmittelbar nach dem Anspringen des Motors würde infolge des Druckabfalls in der Mischkammer das Startgemisch stark angereichert. Um dieses zu vermeiden, wird die Starterklappe (5) über die Pulldownmembrane (74), auf die der Druckabfall ebenfalls wirkt, die Membranstange (73), den Mitnehmerhebel und die Starterverbindungsstange etwas geöffnet. Die Membranstange bewegt sich dabei bis an das Regelventil (76), wodurch sich das kleine Spaltmaß (a) an der Starterklappe einstellt und zusätzlich Luft für den Durchlauf eintreten kann. Gleichzeitig wird das Thermozeitventil (105) beheizt und schließt. Das Elektroumschaltventil (97) ist je nach Warmlaufdrehzahl geschlossen bzw. geöffnet. Unter eine Drehzahl von ca. 1200/min liegt Spannung vom Drehzahlrelais (Zentralelektrik) an, das Elektro-Umschaltventil ist geöffnet. Über 1200/min ist das Ventil geschlossen (stromlos, Bild 21) . Die Druckdifferenz wird im Drosselklappensteller (95) wirksam und zieht den Stößel (82) zurück. Die Drosselklappe (1) schließt bis der Stift (98) am Warmlaufhebel (62) liegt. Die Stellung des Warmlaufhebels und damit die Stellung der Drosselklappe werden über das Dehnstoffelement (57), d.h. durch die Kühlmitteltemperatur bestimmt.
-
 

3. Phase des Kaltstarts (Warmlauf) (Bild 20-22)

Die Öffnung der Starterklappe erfolgt stufenweise. Durch die Membranstange der Pulldownmembrane wird das Regelventil (76) geöffnet und die Pulldown-Dose mit einem außerhalb des Vergasers liegenden Volumen (99, Bild 14) verbunden. Nach einigen Sekunden stellt sich im Pulldown und im Volumen der gleiche Druck ein. Über die Membrane und die Membranstange wird die Starterklappe nun auf das große Spaltmaß (a1, Bild 20), geöffnet, bis die Schraube (81) zum Anschlag kommt. Mit zunehmender Erwärmung öffnet die Starterklappe bis sie beim Erreichen der Betriebstemperatur senkrecht steht. Zusätzlich wird das Dehnstoffelement (57) im Kühlmittelkreislauf erwärmt, der Schieber (59) geht zurück, der Warmlaufhebel (62) folgt dieser Bewegung bis die Drosselklappe mit Erreichen der Betriebstemperatur ihren Anschlag am Stößel des Drosselklappenanstellers hat.
-
-
-
 

Betriebsphase

Leerlauf bei Betriebstemperatur (abhängiger Leerlauf) (Bild 22a und 23)

Der Kraftstoff für den Leerlauf wird der Reserve, vorkalibriert von der Hauptdüse (21), durch die Leerlaufkraftstoffdüse mit Mischrohr (4) entnommen und mit der an der Leerlaufkraftstoffdüse mit Mischrohr eingetretenden Luft als Vorgemisch über den Leerlaufschlitz zur Mischkammer geleitet. Der freie Querschnitt für die Leerlaufluft wird von der Stellung der Einstellschraube (3) bestimmt. Bei Drehzahlen unter ca. 1200/min liegt am Elektroumschaltventil (97) Spannung an. Das Ventil ist geöffnet und belüftet (Pfeile) das Regelventil (88). Der Stößel (82) und somit die Drosselklappe (1) gehen in Leerlaufstellung.
-
-
 

Erhöhter Leerlauf (Bild 24)

Bei einigen Fahrzeugen mit Automatik-Getriebe bzw. Fahrzeugen mit Klimaanlage ist ein weiteres Regelventil (119) und Elektro-Umschaltventil (112) erforderlich. Beim Einlegen eines Wahlhebelbereiches bzw. beim Einschalten der Klimaanlage während des Leerlaufbetriebs erhält das Elektro-Umschaltventil (112) Spannung, das Ventil öffnet und belüftet das Regelventil (119). Der Stößel (82) und somit die Drosselklappe (1) gehen in eine erhöhte Leerlaufstellung. Im Schubbetrieb sind beide Elektro-Umschaltventile (97 und 112) stromlos.
-
 

Übergang I.Stufe (Bild 25)

Um einen einwandfreien Übergang vom Leerlaufsystem auf das Hauptdüsensystem und im unteren Teillastbereich ein gutes Fahrverhalten zu gewährleisten, ist ein Übergangsschlitz (2) angeordnet. Beim Übergang wird die Drosselklappe (1) geöffnet, so dass der kalibrierte Übergangsschlitz von der Drosselklappe der I.Stufe freigegeben wird. Durch den wirksam werdenden Druckabfall vergrößert sich die in das Saugrohr strömende Gemischmenge über den Einsatz des Hauptdüsensystems hinaus. Mit weiterer Öffnung der Drosselklappe wird der Druck am Hauptgemischaustritt niedriger als im Leerlaufsystem, die Förderung im Leerlaufsystem wird also unterbrochen. Die Drosselklappe der II.Stufe ist noch mechanisch gesperrt.
 

Teillast (Bild 26)

Ist die Drosselklappe (1) so weit geöffnet, dass ausreichender Druckabfall im Hauptgemischaustritt wirksam wird, setzt das Hauptdüsensystem der I.Stufe ein. Der von der Hauptdüse (21) dosierte Kraftstoff bildet im Mischrohr mit der über die Luftkorrekturdüse (7) einströmenden Luft ein Vorgemisch, das über den Hauptgemischaustritt im Vorzerstäuber (6) in die Mischkammer gelangt. Mit weiterer Öffnung der Drosselklappe wird der Druck am Hauptgemischaustritt niedriger als im Leerlauf- und Übergangssystem, die Kraftstoffförderung im Leerlauf- und Übergangssystem wird unterbrochen.
-
 

Teillastanreicherung (Bild 27)

Das Teillastanreicherungsventil wird mittels einer pneumatisch gesteuerten Membrane betätigt. Der zur Steuerung benötigte Druck wird der Mischkammer unter der Drosselklappe entnommen und über einen Kanal in den Membranraum geleitet. Im unteren Lastbereich, also niedrigem Druck, wird das Ventil (32) gegen die Federkraft (33) geschlossen, d.h. dieVerbindung mit der Schwimmerkammer ist unterbrochen. Mit fortschreitender Öffnung der Drosselklappe der I.Stufe, also ansteigendem Druck, öffnet das Anreicherungsventil (32). Nun kann zusätzlich kalibrierter Kraftstoff über Kanäle im Vergasergehäuse und -deckel direkt in das Hauptgemischsystem geführt werden.
-
-
Luftkorrekturdüse mit Mischrohr (7) mit geändertem seitlichen Lufteintritt (Ti151)
 

Beschleunigung (Bild 28)

Um beim plötzlichen Gasgeben das Gemisch an den stark zunehmenden Luftdurchsatz anzupassen und die infolge des Druckanstiegs im Saugrohr erfolgte Wandfilmbildung auszugleichen , ist eine Beschleunigungspumpe angeordnet. Schwenkt die Drosselklappe der I.Stufe in die Leerlaufstellung zurück, wird die Membrane (44) von der Feder nach außen gedrückt, das Saugventil (39) öffnet und Kraftstoff aus der Schwimmerkammer fließt in den Pumpenraum. Beim Beschleunigen wird die Membrane über die Pumpenkurve (29), den Pumpenhebel und den Stößel (42) nach innen bewegt. Der Kraftstoff fließt über eine Bohrung aus dem Pumpenraum über das Pumpendruckventil (45) und das Spritzrohr (46) in die Mischkammer.
-
 

Übergang auf die II.Stufe (Bild 29)

Die Drosselklappe der II.Stufe wird Drehzahl- und lastabhängig über die Membrandose der II.Stufe (47) zugeschaltet. Das Hebelsystem ist so abgestimmt, dass die II.Stufe erst bei 2/3 geöffneter Drosselklappe der I.Stufe progressiv, in Abhängigkeit von der Stellung des Drosselhebels, öffnen kann und beim Schließen der Drosselklappe der I.Stufe aus Sicherheitsgründen zwangsweise geschlossen wird. Der zum Öffnen notwendige Druck wird den Lufttrichtern der I.Stufe und II.Stufe entnommen und durch eine Reduzierdüse im Anschlussrohr zur Membrandose (47) geführt. Durch die Reduzierdüse wird der Einsatz der II.Stufe gedämpft. Das Übergangssystem der II.Stufe bildet das Gemisch bis zum Einsatz des Hauptdüsensystems der II.Stufe. Der von der Hauptdüse (20, Bild 30) dosierte Kraftstoff bildet im Mischrohr mit der durch die Luftkorrekturdüse (8) einströmenden Korrekturluft das Vorgemisch der II.Stufe, das über den Gemischaustritt in den Vorzerstäuber (11) und die Mischkammer gelangt.
-
-

Volllastbetrieb (Bild 30)

Die Volllastanreicherung hat die Aufgabe, das Kraftstoff-Luftgemisch bei Volllast dem Kraftstoffbedarf des Motors anzupassen. Je nach Anwendungsfall sind im Vergaserdeckel ein bzw. zwei Anreicherungsrohr/e (18) eingepresst, deren Steigrohr/e (16) in die Schwimmerkammer eintauch/t/en. Die Mündungen der Anreicherungsrohre liegen jeweils in der I. und II.Stufe. Eine weitere Kraftstoffmenge wird über die Teillastanreicherung gefördert. Das Leerlauf- und das Übergangssystem der I.Stufe ist außer Funktion, jedoch fördert das Übergangssystem der II.Stufe weil es unabhängig von der Hauptdüse ist.
 
 

Schubbetrieb und Abstellen des Motors (Bild 31)

Im Schubbetrieb, bei Drehzahlen über ca. 1200/min, ist das Elektro-Umschaltventil (97) geschlossen (stromlos), das Regelventil (88) wird nicht belüftet. Der Stößel (82) und somit die Drosselklappe (1) gehen in Schubabstellung, der Gemischaustritt (2) (Leerlauf- und Übergangsschlitz), wird unterbrochen. Bei kaltem Motor schließt die Drosselklappe (1) nur soweit, wie Dehnstoffelement und somit Warmlaufkurve es zulassen. Sinkt im Schiebebetrieb die Drehzahl unter ca. 1200/min, öffnet das Elektro-Umschaltventil (97), belüftet das Regelventil (88) und der Gemischaustritt (2) wird wieder freigegeben (siehe Leerlauf). Beim Abstellen des Motors ist das Elektro-Umschaltventil (97) geschlossen (stromlos). Durch den sich noch drehenden Motor geht der Stößel (82) und somit die Drosselklappe (1) kurzzeitig in Schubstellung und verhindert dadurch ein Nachdieseln. Steht der Motor, wird der Drosselklappenansteller belüftet und die Drosselklappe und der Stößel gehen in Startposition.
-
 

Zusatzeinrichtungen (Bild 11-15)

Für die Einhaltung der Abgasgrenzwerte bei gutem Fahrkomfort und günstigem Kraftstoffverbrauch wird die Gemischaufbereitung durch folgende Einrichtungen zusätzlich beeinflusst:
 

Schubabschaltung (Bild 11-12)

Bei der Schub-Abschaltung wird die Motordrehzahl über ein Relais (96) erfasst und in ein elektrisches Signal Schub-Abschaltung "ja" oder "nein" weiterverarbeitet. Dieses Signal wird über ein elektrisches Umschaltventil (97) in ein pneumatisches Signal umgesetzt und die Drosselklappe (1) in der Schub-Phase mit einem pneumatischen Steller (Drosselklappenansteller 95 bzw. 114) über die Leerlaufstellung hinaus geschlossen. Die pneumatischen Steller sind für verschiedene Anwendungsfälle als 3-Punkt- oder 4-Punkt-Dose ausgebaut.
Über die Steller werden die Kaltstartstellung der Drosselklappe, die Leerlaufstellung der Drosselklappe, die Stellung der Drosselklappe im Schiebebetrieb und bei Fahrzeugen mit Klimaanlage und/oder Automatikgetriebe eine Stabilisierung der Drehzahl bei Belastung des Motors erreicht. Zur Steuerung des Stellers sind die Vergaser bzw. Fahrzeuge zusätzlich mit einem Thermo-Zeitventil (105), einem Elektro-Umschaltventil (97) und einem Drehzahlrelais (96) ausgerüstet. Bei Vergasern, die mit 4-Punkt-Dose (für Fahrzeuge mit Klimaanlage) ausgerüstet sind, kommt ein weiteres Elektro-Umschalt-Ventil (112) hinzu.

-
-
 

Höhenkorrektor (Bild 13)

Es wurden keine Vergaser mit Höhenkorrektor in der Serie verbaut (reine Theorie)
-
 

Verzögerungsvolumen (99, Bild 14)

Für eine Verzögerung der Starterklappenöffnung.
 

Gasblasenabscheider/Kraftstoffvolumen (100, Bild 14)

In ihm werden die bei hoher Temperatur entstehenden Gasblasen in dem Kraftstoffsystem abgeleitet und für den Heißstart vorgewärmter Kraftstoff zu Verfügung gestellt.
 

Temperaturschalter (115, Bild 14)

Zum Abschalten der Saugrohr- und Starterbeheizung in Abhängigkeit der Kühlmitteltemperatur.
 

Ansaugluftvorwärmung (117, Bild 14)

 

Saugrohrbeheizung

Elektrisch beheizter Igel
-
-
 

Kraftstoffzufluss und Schwimmereinrichtung (Bild 16)

Das Schwimmersystem regelt den Kraftstoffzufluss mit Hilfe des Schwimmerauftriebs und der vom Schwimmerhebel betätigten Schwimmernadel (24). Damit bleibt das Kraftstoffniveau in der Schwimmerkammer bei allen Betriebszuständen konstant. Der von der Kraftstoffpumpe geförderte Kraftstoff gelangt über das Anschlussrohr (28) und das geöffnete Schwimmernadelventil (23) in die Schwimmerkammer. Mit ansteigendem Kraftstoffniveau steigt der Schwimmer (27) nach oben und drückt die Schwimmernadel auf ihren Sitz. Das Schwimmernadelventil öffnet erst wieder, wenn das Niveau in der Schwimmerkammer sinkt, d.h. bei laufendem Motor wird entsprechend der Kraftstoffentnahme ein Spalt freigegeben. Ein Drahtbügel öffnet die Nadel zwangsweise. Das Kraftstoffniveau und der Druck in der Schwimmerkammer beeinflussen das Fahrverhalten und den Kraftstoffverbrauch. Deshalb besteht über das Belüftungsrohr (22, Bild 4) eine Verbindung zu der Reinluftseite des Luftfilters. Die als Innenbelüftung bezeichnete Ausführungsform der Schwimmerkammerbelüftung ermöglicht unabhängig vom Verschmutzungsgrad der Luftfilterpatrone annähernd konstanten spezifischen Kraftstoffverbrauch in den einzelnen Lastpunkten.
-